资产管理处
学校首页
部门首页
部门概况
组织结构图
职能介绍
科室职责
联系我们
党建工作
工作流程
下载中心
规章制度
法规制度
信息公开
采购公告
结果公示
资产管理
验收公示
政采公示
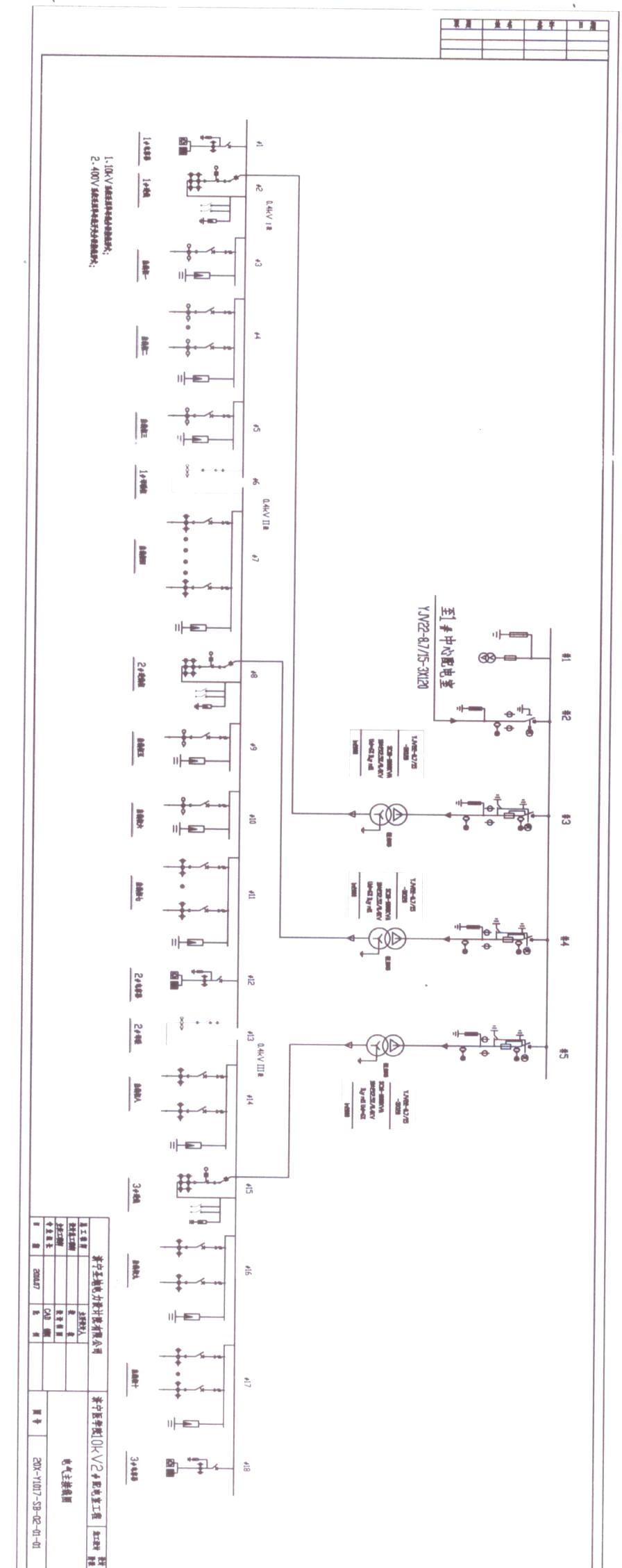
济宁医学院20210416太白湖校区配电设备春防试验项目采购公告
来源:资产管理处
发布时间:2021-04-16
浏览次数:
259
济宁医学院20210416太白湖校区配电设备春防试验项目采购公告.docx
照片 001.jpg
照片 002.jpg
照片.jpg